Informacije o proizvodu
Aluminijumski pregradni profil 1026 H
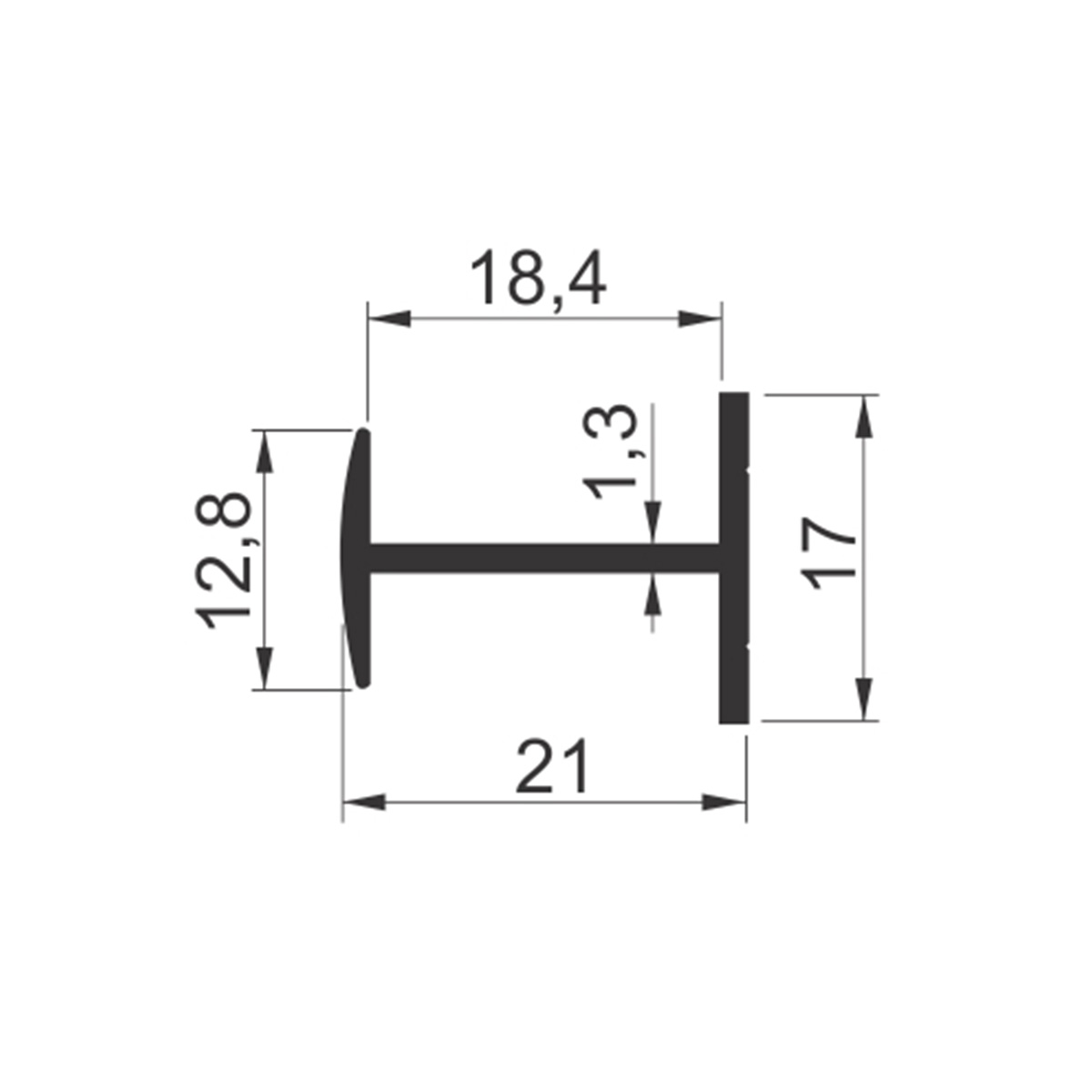
Aluminijumski profil 1026 H se uglavnom koristi kao horizontalni pregradni profil prilikom izrade plakarskih vrata od pločastog materijala.
Profil 1026 H je namenjen pločasti materijal 18mm debljine.
Prilikom ugradnje jednog 1026 H profila na vrata potrebno je umanjiti visinu vrata za 2mm.
Završna obrada profila je proces hemijske eloksaže.
Prodajna dužina profila: 3m
Debljina eloksiranog sloja: 0,15mm
Boja eloksaže: bela
* Cena se odnosi na dužni metar profila







































































