Informacije o proizvodu
Vezni/pregradni profil VP 1025 H - Srebro sjaj
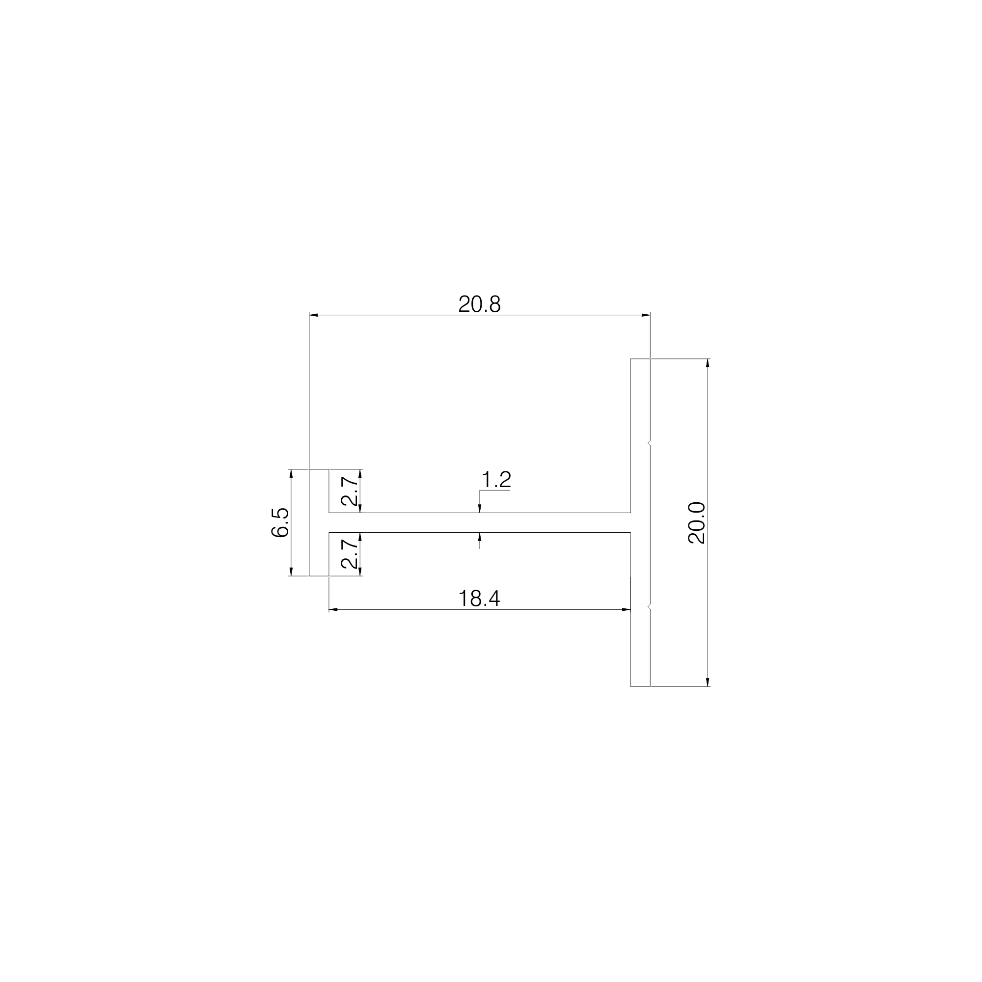
Pregradni profil se koristi za spoj dva pločasta materijala, najčešće prilikom izrade kliznih plakarskih vrata.
Namenjen je za drvene ispune debljine 18mm.
Materijal: Aluminijum
Završna obrada: Srebro sjaj eloksaža
Prodajna dužina profila: 3m
*Cena se odnosi na dužni metar profila







































































