Informacije o proizvodu
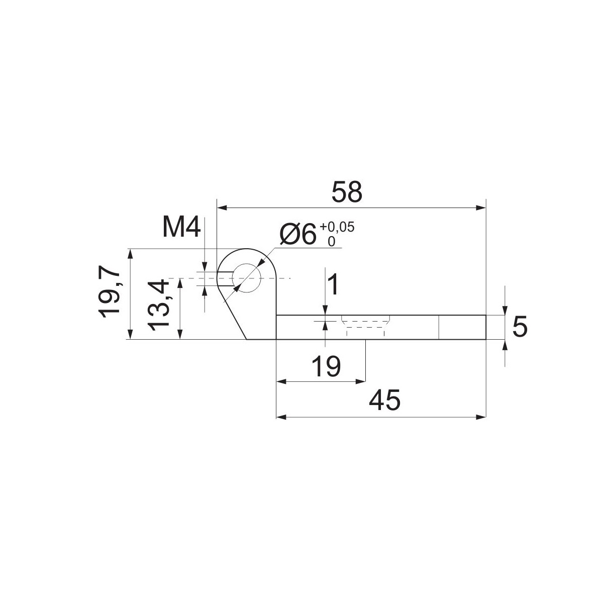
Metalna crna šarka za izradu staklenih vrata sa aluminijumskim štok profilima bez pervajza.
Metalna crna šarka je predviđena za staklo debljine od 6mm do 10mm.
Nosivost metalne šarke je 45kg po paru.
Maska crne metalne šarke poručuje se posebno (šifra artikla 9484)












































































