Informacije o proizvodu
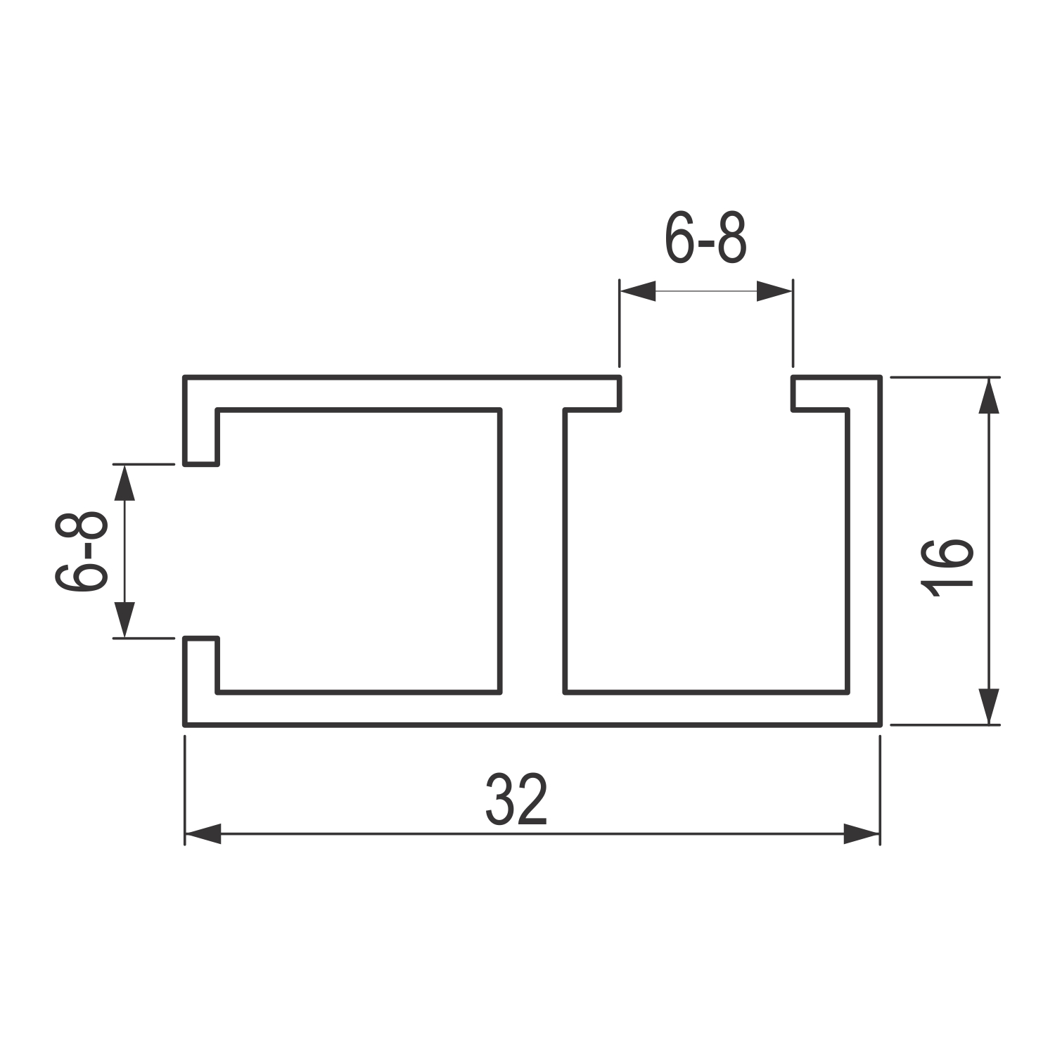
TK 16x32 AL profil za izradu staklenih tuš kabina
AL profil se postavlja na zid i pod po potrebi, a služi za spoj dve staklene ispune pod uglom od 90°.
Namenjen je za staklene ispune debljine: 6 i 8mm.
Završna obrada: Srebro sjaj
Prodajna dimenzija: 2.2m
*Cena se odnosi na komad.






































































