Informacije o proizvodu
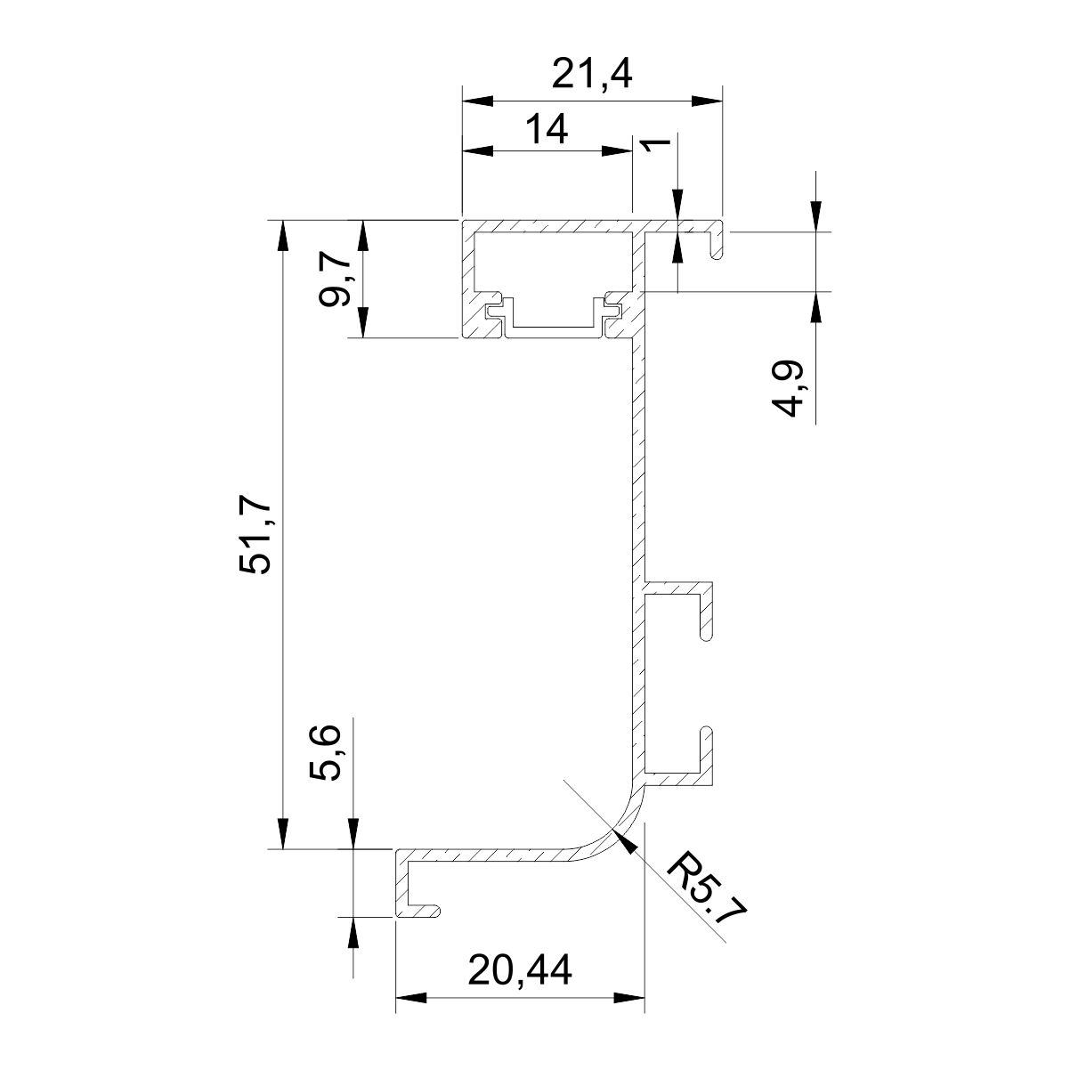
GL 028 horizontalna skrivena ručica za nameštaj
sa integrisanim profilom sa LED traku.
Horizontalna ručica se postavanje izmedju radne ploče i prve fioke u korpusu. Montira se uz pomoć metalnih ugaonika (art. 2767).
U kanal je moguće postaviti LED trake do 12mm širine.
Dodatni elementi poput čepova i završeteka se nalaze u povezanim proizvodima.
Prodajna dužina profila je 300cm.
Završna obrada: Srebro mat eloksaža











































































