Informacije o proizvodu
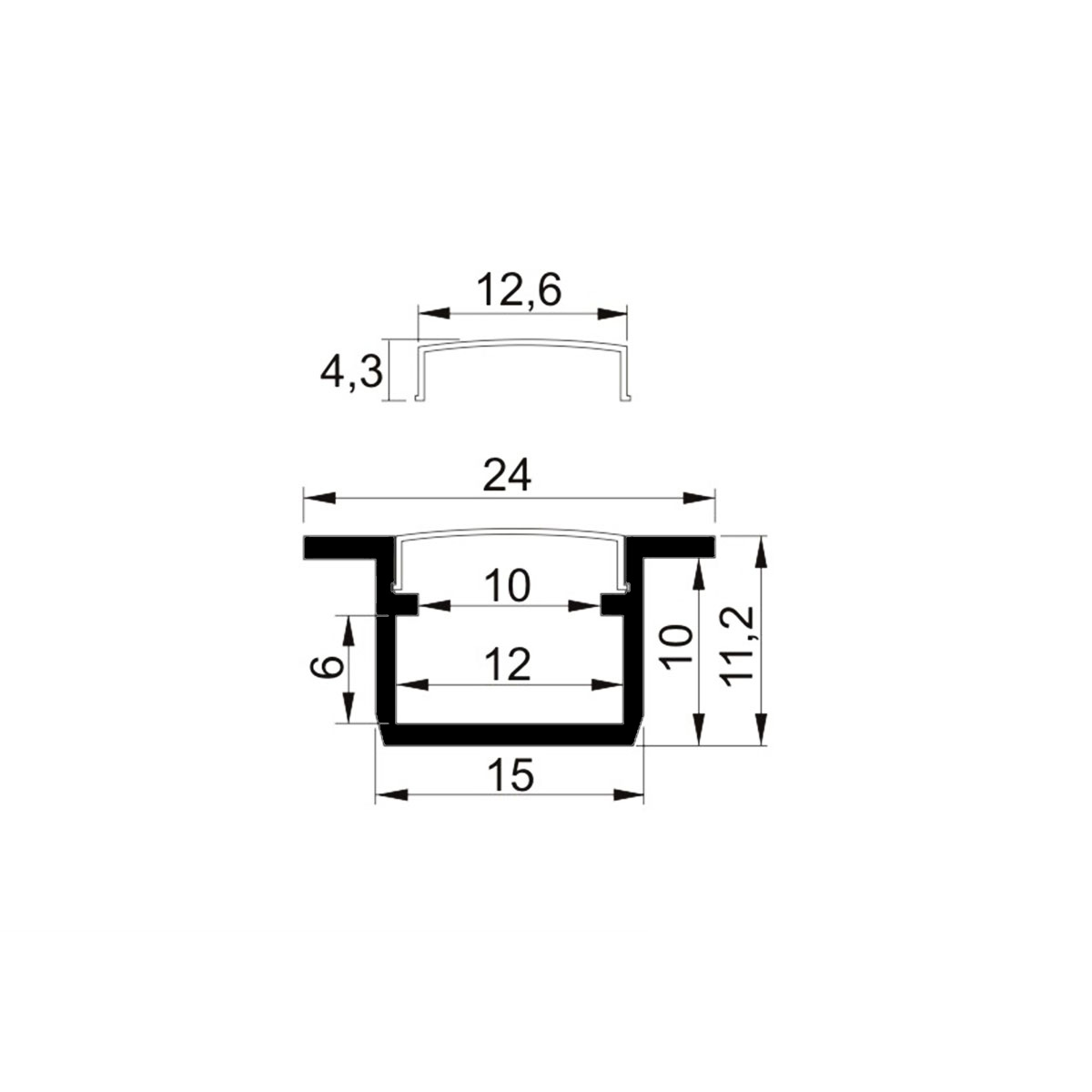
LED U 8607 ugradni profil
Aluminijumski ugradni LED profil se koristi zajedno sa LED trakom da bi se postigli estetski i funkcionalni svetlosni efekti.
Za LED U 8607 ugradni profil postoje čepovi kao i PVC difuzor (poklopac), koji se prodaju nezavisno od samog profila.
Završna obrada profila: Srebro mat
Prodajna dužina profila: 3m
*Cena se odnosi na komad 3m dužine.







































































