Informacije o proizvodu
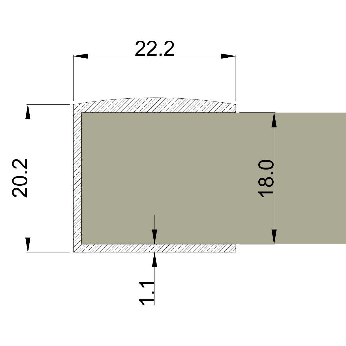
Aluminijumski ukrutni profil RU-35
Aluminijumski ukrutni profil se koristi prilikom izrade plakarskih vrata.
Ukrutni profil sprečava eventualno krivljenje plakarskih vrata, ukoliko se na njih ne postavljaju zatezači za plakarska vrata.
Ukrutni profil RU-35 je namenjen za pločasti materijal 18mm debljine.
Završna obrada ukrutnog profila je proces hemijske eloksaže.
Prodajna dužina rukohvata je 2,7m
Debljina eloksiranog sloja: 0,15µm
Boja eloksaže: Srebro sjaj







































































